
PRODUCT
Midi controller
HOME > Product > Midi controller > H6162P8-bit MCU with PSG
Trade Description
Product Feature
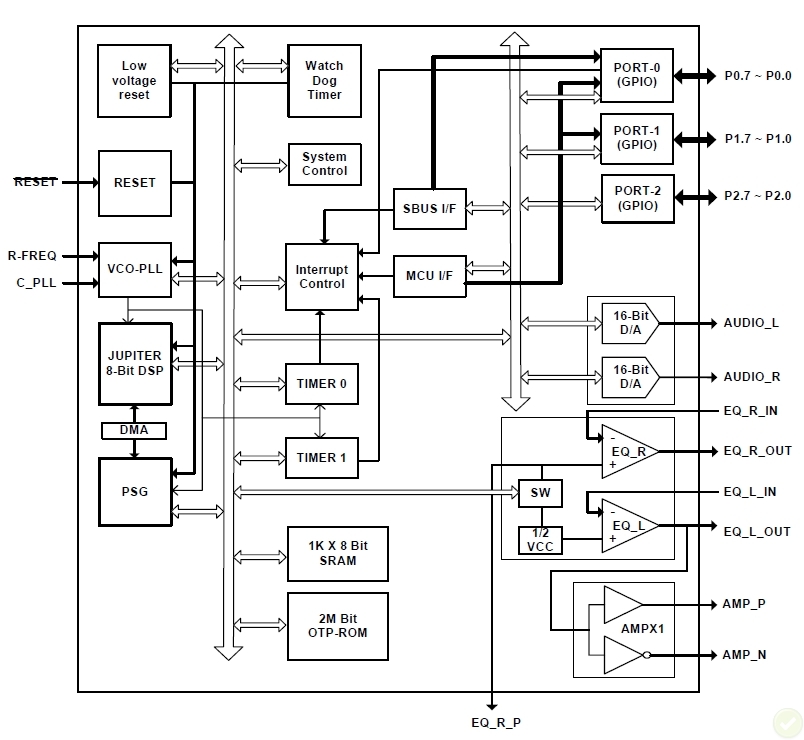
The H6162P series is based on Helios's 8-bit MCU (JUPITER) and equipped with a powerful programmable sound generator (PSG) for processing sweet-sounding. Via proprietary system bus, the MCU (JUPITER) features efficient addressing register and memory timing control register (MTR) to access internal/external memory and I/O devices with appropriate timing.
The H6162P features 24 general purpose I/O pins. Each can be individually programmed to input or output mode, and with internal pull-up or not. Each I/O of port 0 can be programmed to select interrupt source and the interrupt signal can be falling or rising trigger.
The H6162P features VCO and PLL to provide system clock. The frequency of the system clock is programmable up to 45 MHz. The device has two built-in 8-bit timers. Each timer is made up of an 8-bit up counter, 8-bit reload data, and pre-scaler. Usually, the timer can be used to configure speech sampling frequency. The H6162P also supports two device interfaces: one is 2-wired serial bus, and the other is 8-bit parallel MCU control interface. The H6162P acts as a slave device and is able to communicate with the external host controller by either of the two interfaces.
Product Description
• Built-in 8-bits MCU core (JUPITER).
• Built-in programmable sound generator (PSG)
• Built-in voltage control oscillator with programmable PLL (VCO-PLL clock generator).
• Internal system clock speed up to 45 MHz (max. 45 MHz at Vcc = 3.0V).
• Built-in 2Mbit (256K Bytes) OTP-ROM.
• Built-in 8Kbit (1024 Bytes) SRAM.
• Equipped 2 EQ-OP for signal amplifier or filter.
• Equipped 1 speaker amplifier (0.5W).
• Built-in 2-wired serial bus interface (I2C like, slave mode).
• Built-in micro-controller interface (8-bit parallel interface).
• Equipped two (Left/Right audio) 16-bit DAC (voltage DAC) audio outputs.
• Operating voltage: 2.40V~3.60V (typ. 3.0V).
• Operating current: 35mA (average operating current without audio load).
• Standby current: typ. 2.0 µA (25°C).